ویژگی ها:
محدوده واحد متراکم LKPG برای تبرید تجاری در دماهای متوسط و پایین طراحی شده است.
طراحی ویژه با کندانسور گرمسیری و عملکرد کم صدا.
تعمیر و نگهداری آسان، بهترین قطعات برای تضمین کنترل کیفیت نهایی.
تمامی واحدهای کندانسینگ دارای مقررات CE&ROHS هستند.
لوازم جانبی:
*صفحه روی با روکش برقی با مقاومت خوردگی بالا
* کویل کندانسور گرمسیری در لوله مسی و پره های آلومینیومی
*عایق صدا
*کمپرسور اسکرول هرمتیک یا رفت و برگشتی
*گرمکن میل لنگ
* سوئیچ فشار دوار با تنظیم مجدد خودکار
*شیر برقی روی خط مایع
*فیلتر خشک کن روی خط مایع
*شیشه دید با نشانگر رطوبت
* گیرنده مایع
*شیر اطمینان
*شیرهای قطع کننده مایع و خط مکش.
موارد اختیاری:
*پانل کنترل برقی داخلی
*کنترل کننده سرعت فن بر اساس فشار کندانسور
* جداکننده روغن
* ولتاژ و گاز مختلف
+86-18082061600

طبقه بندی مدل:
LKPG 4001Z Mاس
اس: تک فاز (T: سه فاز)
M: دمای متوسط و بالا (L: دمای پایین)
R404الف
FanФ(میلی متر)"N⁰
سری
| MBP K404الف | کمپرسور | موتور فن محوری | سر و صدا | اتصالات لوله | N.دبلیو. | ||||||||||
| مدل | 220/1/50 | 380/3/50 | اسب بخار | دبلیو | N⁰X∅ | M³/h | لهستانی ها | 220/1/50 | جذب | فاصله = 10 متر | D | S | Kr | ||
| کد | دبلیو | A | dba | میلی متر | میلی متر | ||||||||||
| LKPG4001Z MS | CAE9460Z | ★ | 1/2 | 697 | 1*400 | 2570 | 6 | ★ | 120 | 0.56 | 33 | 3/8 اینچ | 1/2" | 53 | |
| LKPG4001Z MS | CAJ9480Z | ★ | 3/4 | 955 | 1*400 | 2570 | 6 | ★ | 120 | 0.56 | 35 | 3/8 اینچ | 1/2" | 63 | |
| LKPG4001Z MS | CAJ9510Z | ★ | 1 | 1181 | 1*400 | 2250 | 6 | ★ | 120 | 0.56 | 36 | 3/8 اینچ | 5/8 اینچ | 65 | |
| LKPG4001Z MS | TAJ4519Z | ★ | 1.5 | 2246 | 1*400 | 3590 | 6 | ★ | 160 | 0.75 | 41 | 3/8 اینچ | 5/8 اینچ | 85 | |
| LKPG4001Z MS | TFH4524Z | ★ | 2 | 2337 | 1*400 | 3390 | 6 | ★ | 160 | 0.75 | 42 | 3/8 اینچ | 5/8 اینچ | 90 | |
| LKPG4001Z MS | ZB15KQE-TFD | ★ | 2 | 1550 | 1*400 | 3390 | 6 | ★ | 160 | 0.75 | 40 | 3/8 اینچ | 3/4" | 83 | |
| LKPG4501Z MS | ZB19KQH-TFD | ★ | 2.5 | 1860 | 1x450 | 4560 | 6 | ★ | 200 | 0.91 | 40 | 3/8 اینچ | 7/8 اینچ | 88 | |
| LKPG4501Z MS | TFH4540Z | ★ | 3 | 3943 | 1x450 | 4310 | 6 | ★ | 200 | 0.91 | 48 | 3/8 اینچ | 7/8 اینچ | 108 | |
| LKPG4501Z MS | ZB21KQE-TFD | ★ | 3 | 22 20 | 1x450 | 4310 | 6 | ★ | 200 | 0.91 | 43 | 3/8 اینچ | 7/8 اینچ | 103 | |
| LKPG4501Z MS | ZB26KOH-TFD | ★ | 3.5 | 2610 | 1x450 | 4070 | 6 | ★ | 200 | 0.91 | 44 | 1/2" | 7/8 اینچ | 106 | |
| LKPG4502Z MS | TAG4546Z | ★ | 4 | 4125 | 2*450 | 8430 | 6 | ★ | 400 | 1.82 | 52 | 1/2" | 7/8 اینچ | 126 | |
| LKPG4502Z MS | ZB29KQE-TFD | ★ | 4 | 2950 | 2*450 | 8430 | 6 | ★ | 400 | 1.82 | 47 | 1/2" | 7/8 اینچ | 120 | |
| LKPG4502Z MS | TAG4561Z | ★ | 5 | 5362 | 2*450 | 8430 | 6 | ★ | 400 | 1.82 | 52 | 1/2" | 7/8 اینچ | 141 | |
| LKPG4502Z MS | ZB38KQE-TKD | ★ | 5 | 3760 | 2*450 | 7990 | 6 | ★ | 400 | I.82 | 47 | 1/2" | 7/8 اینچ | 135 | |
| LKPG4502Z MS | TAG4568Z | ★ | 3 | 5916 | 2*450 | 8010 | 6 | ★ | 400 | 1.82 | 53 | 1/2" | 7/8 اینچ | 148 | |
| LKPG4502Z MS | ZB45KQE-TFD | ★ | 6 | 4280 | 2*450 | 8010 | 6 | ★ | 400 | 1.82 | 48 | 1/2" | 7/8 اینچ | 142 | |
| LKPG4502Z MS | TACJ4573Z | ★ | 7 | 6706 | 2*450 | 7530 | 6 | ★ | 400 | 1.82 | 53 | 1/2" | 7/8 اینچ | 155 | |
| LKPG4502Z MS | ZB48KQE-TFD | ★ | 7 | 4631 | 2*450 | 7530 | 6 | ★ | 400 | 1.82 | 48 | 1/2" | 7/8 اینچ | 148 | |
| MBP K404A | ComPrcssor | موتور فن محوری | سر و صدا | اتصالات لوله | N.دبلیو. | ||||||||||
| مدل | 220/1/50 | 380/3/50 | اسب بخار | W | N⁰X∅ | M³/h | لهستانی ها | 220/1/50 | جذب | دیس = 10 متر | D | S | کیلوگرم | ||
| کد | W | A | dba | میلی متر | mm | ||||||||||
| LKPC 4001Z LS | CAE2420Z | ★ |
| 1/2 | 479 | 1*400 | 2570 | 6 | ★ | 120 | 0.56 | 31 | 3/8 اینچ | 1/2" | 52 |
| LKPG 4001Z LS | CAJ2432Z | ★ |
| 3/4 | 602 | 1*400 | 2570 | 6 | ★ | 120 | 0.56 | 34 | 3/8 اینچ | 1/2" | 62 |
| LKPG 4001Z LS | CAJ2446Z | ★ |
| 1 | 886 | 1*400 | 2250 | 6 | ★ | 120 | 0.56 | 38 | 3/8 اینچ | 5/8 اینچ | 64 |
| LKPG 4001Z LT | TAJ2464Z |
| ★ | 1.5 | 1199 | 1*400 | 2250 | 6 | ★ | 120 | 0.56 | 40 | 3/8 اینچ | 5/8 اینچ | 65 |
| LKPG 4001Z LT | TFIH2480Z |
| ★ | 2 | 1553 | 1*400 | 3590 | 6 | ★ | 160 | 0.75 | 41 | 3/8 اینچ | 5/8 اینچ | 88 |
| LKPG4001Z LT | TFH2511Z |
| ★ | 3 | 2058 | 1*400 | 3590 | 6 | ★ | 160 | 0.75 | 42 | 3/8 اینچ | 7/8 اینچ | 90 |
| LKPG 4501Z LT | TAC2516Z |
| ★ | 4 | 3106 | 1x450 | 4560 | 6 | ★ | 200 | 0.91 | 45 | 1/2" | 7/8 اینچ | 116 |
| LKPG 4501Z LT | TAG2522Z |
| ★ | 6 | 4111 | 1x450 | 8430 | 6 | ★ | 400 | 1.82 | 53 | 1/2" | 7/8 اینچ | 143 |
| MBP R404A | کمپرسور | عملکرد (w) | |||||
| دمای تبخیر (℃) | |||||||
| کد | 5℃ | 0℃ | -5 درجه سانتیگراد | -10 درجه سانتیگراد | -15 درجه سانتیگراد | -20 درجه سانتیگراد | |
| LKPG 4001Z MS | CAE9460Z | 1366 | 1141 | 908 | 711 | 546 | 409 |
| LKPG 4001Z MS | CAJ9480Z | 1795 | 1607 | 1284 | 1009 | 774 | 571 |
| LKPG 4001Z MS | CAJ9510Z | 2194 | 1972 | 1583 | 1252 | 970 | 732 |
| LKPG 4001Z MT | TAJ4519Z | 4170 | 3756 | 3009 | 2353 | 1739 |
|
| LKPG 4001Z MT | TFH4524Z | 4997 | 4249 | 3395 | 2639 | 1964 |
|
| LKPG 4001Z MT | ZB15KQE-TFD | 5150 | 4350 | 3600 | 2950 | 2370 | 1840 |
| LKPG 4501Z MT | ZB19KQE-TFD | 6450 | 5450 | 4550 | 3750 | 3100 | 2540 |
| LKPG 4501Z MT | TFH4540Z | 8082 | 6912 | 5635 | 4486 | 3445 |
|
| LKPG 4501Z MT | ZB21KQE-TFD | 7800 | 6550 | 5500 | 4550 | 3750 | 3100 |
| LKPG 4501Z MT | ZB26KQE-TFD | 9100 | 7650 | 6400 | 5300 | 4350 | 3550 |
| LKPG 4502Z MT | TAG4546Z | 9326 | 7867 | 6134 | 4646 | 3370 |
|
| LKPG 4502Z MT | ZB29KQE-TFD | 10570 | 8910 | 7460 | 6210 | 5420 | 3800 |
| LKPG 4502Z MT | TAG4561Z | 11700 | 9953 | 7914 | 6133 | 4560 |
|
| LKPG 4502Z MT | ZB38KQE-TFD | 13300 | 11200 | 9350 | 7759 | 6350 | 5200 |
| LKPG 4502Z MT | TAG4568Z | 13986 | 11787 | 9463 | 7429 | 5639 |
|
| LKPG 4502Z MT | ZB45KQE-TFD | 15600 | 13100 | 10950 | 9100 | 7500 | 6150 |
| LKPG 4502Z MT | TAG4573Z | 14735 | 12567 | 10122 | 8000 | 6155 |
|
| LKPG 4502Z MT | ZB48KQB-TFD | 17070 | 14390 | 12050 | 10020 | 8260 | 6730 |
| LBP R404A | کمپرسور | عملکرد (w) | |||||
| دمای تبخیر (C) | |||||||
| کد |
| -10 درجه سانتیگراد | -15 درجه سانتیگراد | -20 درجه سانتیگراد | -25 درجه سانتیگراد | -30 درجه سانتیگراد | -35 درجه سانتیگراد |
| LKPG 4001Z LS | CAH2420Z | 1047 | 836 | 654 | 547 | 357 | 232 |
| LKPG 4001Z LS | CAJ2432Z | 1560 | 1227 | 950 | 792 | 510 | 318 |
| LKPG 4001Z LS | CAJ2446Z | 2290 | 1821 | 1423 | 1194 | 797 | 549 |
| LKPG 4001Z LT | TAJ2464Z | 3012 | 2412 | 1902 | 1605 | 1076 | 723 |
| LKPG 4001Z LT | TFH2480Z | 4419 | 3476 | 2662 | 2183 | 1319 | 738 |
| LKPG 4001Z LT | TFH2511Z | 6222 | 4931 | 3796 | 3135 | 2016 | 1380 |
| LKPG 4501Z LT | TAG2516Z | 8839 | 6952 | 5324 | 4367 | 2638 | 1475 |
| LKPG 4501Z LT | TAG2522Z | 12444 | 9861 | 7592 | 6270 | 4031 | 2760 |
| کد | ابعاد واحد چگالش | ||
| L(mm) | B(mm) | H(mm) | |
| LKPG 4001... | 800 | 380 | 660 |
| LKPG 4501... | 1050 | 380 | 840 |
| LKPG 4502... | 1050 | 380 | 1240 |
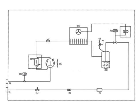
CO = کندانسور
C=کمپرسور
RIC = گیرنده مایع
RL-شیر خاموش کننده مایع
RA=شیر قطع کننده مکش
PA=سوئیچ فشار قوی
PB=کلید فشار پایین
FL=فیلتر خشک کن
SL1=شیر برقی مایع
IN=شیشه دید
VS=شیر کاهش فشار
RC=هیتر میل لنگ
MF = صدا خفه کن
SPO= جداکننده روغن (اختیاری)
BPV=تغییر سرعت فن کندانسور (اختیاری)
انواع مختلف سازندگان یخ یخ ساز می توان با شکل یخ ، کاربرد و روش تبرید طبقه بندی کرد. متداول ترین دسته ها عبارتند از: ...
بیشتر بخوانید1. جذب و تبخیر گرما برای دستیابی به خنک کننده: تحت فشار کم و دمای پایین ، مبرد مایع وارد می شود تبخیر کننده و تبخیر می شود و گرما را ...
بیشتر بخوانیدواحدهای چگالش یخ و Taizhou بهترین تولید تجهیزات تبرید شرکت ، با مسئولیت محدود: تجزیه و تحلیل صنعت و فناوری محصول I. نمای کلی دستگ...
بیشتر بخوانیدهسته چرخه تبرید: بوها کمپرسور یک مؤلفه اصلی ضروری از یک سیستم تبرید ، مسئول فشرده سازی گاز مبرد از حالت کم فشار و فشار...
بیشتر بخوانیدرا یخچال و فریزرهای کم صدا سری DD برای کاربردهای تجاری و مسکونی طراحی شدهاند و راهحلهای خنککننده کارآمد را ارائه میکنند و در عین حال نویز عملیاتی را به حداقل میرسانند تا تجربه کاربر را افزایش دهند. با افزایش استانداردهای زندگی و افزایش آگاهی زیست محیطی، تقاضا برای وسایل کم سر و صدای کم و کم مصرف در بازار افزایش یافته است.